BGS mineralogy and petrology collection record

Sample number S77548; COLLNOZH4037;
Sample Donor Paterson,I.B.
Rock name Not entered
Stratigraphy Not entered
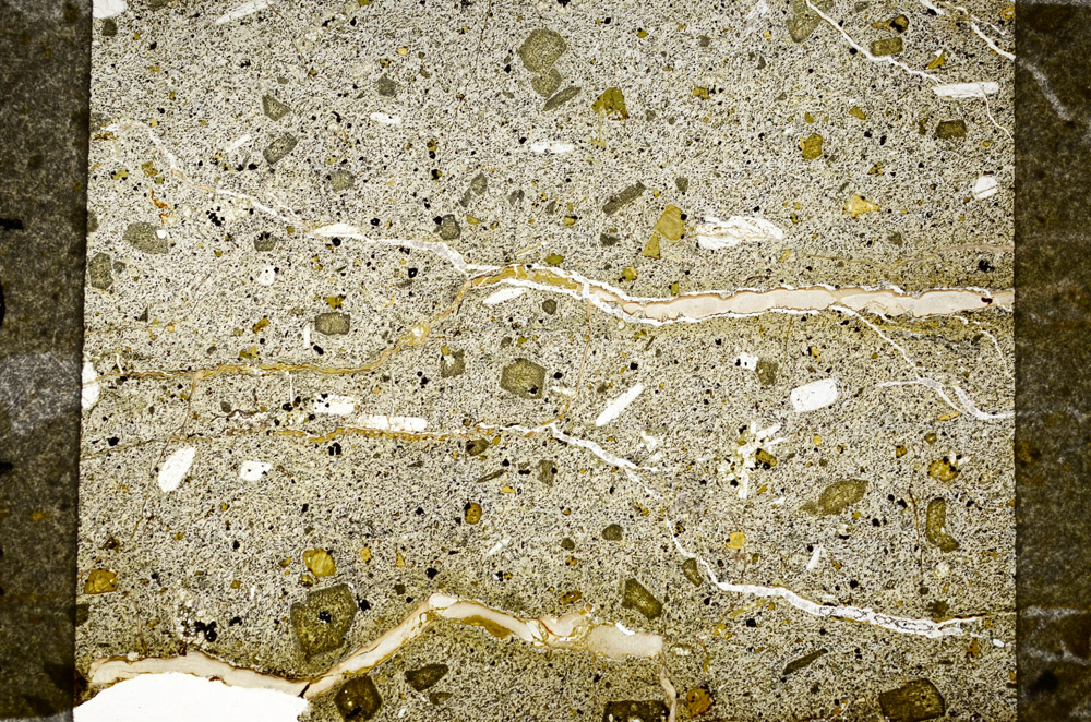
Comments ?Markle basalt lava, Clyde Plateau Volcainic Formation (Dinantian)
Locality details 240m due E of Laigh Bent
50k map sheet Hamilton (23)

View images in GeoScenic related to 'Hamilton'

View the geology near 'Hamilton'

Map reference NS 6792 4268
Year collected Not entered 
Bore name Not applicable
Confidentiality No restrictions

Petrological thin sections

Links to high resolution images

Transition from XPL to PPL light


S77548

Cross Polarized, S77548

Plane Polarized, S77548

Plane Polarized, S77548